○三木町第3子以降3歳未満児病児・病後児保育利用料無料化事業実施要綱
平成24年5月25日
要綱第5号
(目的)
第1条 3人以上の児童を現に扶養する多子世帯に対して、第3子以降の3歳未満児の病児・病後児保育利用料を無料にすることにより、当該世帯の経済的負担を軽減し、第3子以降の子育て支援の充実を図るため、第3子以降3歳未満児病児・病後児保育利用料無料化事業を実施する。
(1) 「病児・病後児保育」とは、平成20年6月9日雇児発第0609001号厚生労働省雇用均等・児童家庭局長通知「保育対策等促進事業の実施について」の別添3「病児・病後児保育事業実施要綱」の3に定める「病児対応型」及び「病後児対応型」をいう。
(2) 「児童」とは、18歳に達する日以後の最初の3月31日までの間にある者をいう。
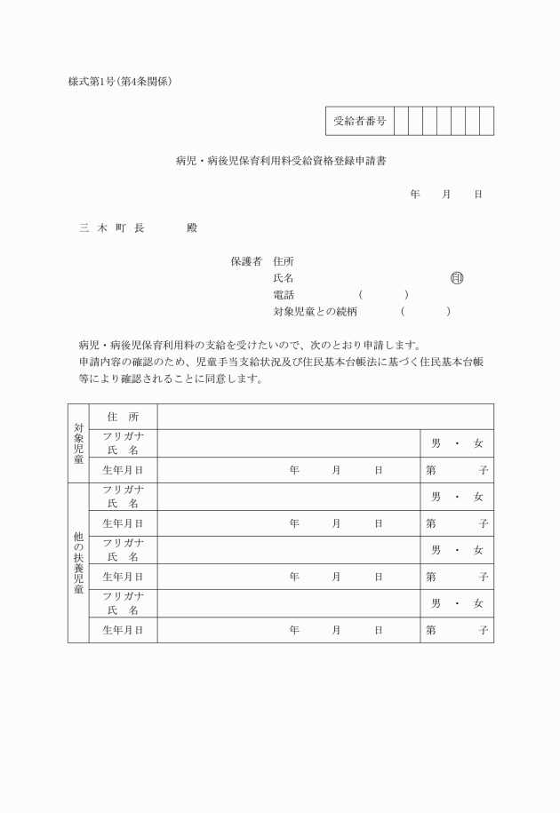
(3) 「対象児童」とは、町内に住所を有する者が現に扶養する児童のうち、第3子以降で満3歳に達する日以後の最初の3月31日までの間にある者をいう。
(4) 「第3子以降」とは、児童手当法(昭和46年法律第73号)の児童手当の区分による。
(5) 「保護者」とは、対象児童を現に扶養する者をいう。
(6) 「利用料」とは、病児・病後児保育施設を利用した対象児童の保護者が、病児・病後児保育施設が所在する市町の定めに基づき支払う費用のうち、飲食物費及び延長料金等を除くものをいう。
(事業内容)
第3条 町長は、対象児童が病児・病後児保育を利用したときは、その利用料を保護者に支給するものとする。
3 証明証を破損又は紛失したときは、病児・病後児保育利用料受給資格証明証再交付申請書(様式第3号)を町長に提出し、再交付を受けることができる。
(証明証の提示)
第5条 保護者は、対象児童が病児・病後児保育を利用するときは、病児・病後児保育施設に証明証を提示しなければならない。
2 病児・病後児保育施設は、保護者が証明証を提示したときは、当該対象児童に係る利用料を徴収しないものとする。
(支給方法)
第6条 町長は、対象児童の利用料を、当該保護者に代わり、当該病児・病後児保育施設に支払うものとする。
2 前項の規定にかかわらず、町長は、別に定める場合において、保護者が対象児童の利用料を支払ったときは、当該保護者の申請に基づいて支給できるものとする。
(証明証記載事項の変更)
第7条 保護者は、証明証に記載している事項について変更があったときは、速やかに病児・病後児保育利用料免除資格内容変更届(様式第5号)を町長に提出しなければならない。
(証明証の返還)
第8条 対象児童が、その資格を喪失したときは、速やかに証明証を町長に返還しなければならない。
附 則
この要綱は、平成24年7月1日から施行し、平成24年4月1日より適用する。





