○災害弔慰金の支給等に関する条例施行規則
昭和50年3月25日
規則第1号
目次
第1章 総則(第1条)
第2章 災害弔慰金の支給(第2条・第3条)
第3章 災害障害見舞金の支給(第4条・第5条)
第4章 災害援護資金の貸付け(第6条―第18条)
附則
第1章 総則
(目的)
第1条 この規則は、災害弔慰金の支給等に関する条例(昭和50年三木町条例第11号。以下「条例」という。)の施行に関し必要な事項を定めるものとする。
第2章 災害弔慰金の支給
(支給の手続)
第2条 町長は、条例第3条の規定により災害弔慰金を支給するときは、次に掲げる事項の調査を行った上災害弔慰金の支給を行うものとする。
(1) 死亡者(行方不明者を含む。以下同じ。)の氏名、性別、生年月日
(2) 死亡(行方不明を含む。)の年月日及び死亡の状況
(3) 死亡者の遺族に関する事項
(4) 支給の制限に関する事項
(5) 前各号に掲げるもののほか、町長が必要と認める事項
(必要事項の提出)
第3条 町長は、この町の区域外で死亡した町民の遺族に対し、死亡地の官公署の発行する被災証明書を提出させるものとする。
2 町長は、町民でない遺族に対しては、遺族であることを証明する書類を提出させるものとする。
第3章 災害障害見舞金の支給
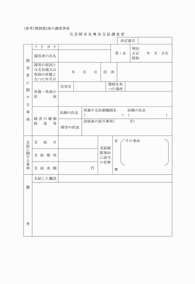
(支給の手続)
第4条 町長は、条例第9条の規定により災害障害見舞金を支給するときは、次に掲げる事項の調査を行った上災害障害見舞金の支給を行うものとする。
(1) 障害者の氏名、性別、生年月日
(2) 障害の原因となる負傷又は疾病の状態となった年月日及び負傷又は疾病の状況
(3) 障害の種類及び程度に関する事項
(4) 支給の制限に関する事項
(5) 前各号に掲げるもののほか、町長が必要と認める事項
(必要書類の提出)
第5条 町長は、この町の区域外で障害の原因となる負傷又は疾病の状態となった町民に対し、負傷し又は疾病にかかった地の官公署の発行する被災証明書を提出させるものとする。
2 町は、障害者に対し、法別表に規定する障害を有することを証明する医師の診断書(様式第1号)を提出させるものとする。
第4章 災害援護資金の貸付け
(借入れの申込み)
第6条 災害援護資金(以下「資金」という。)の貸付けを受けようとする者(以下「借入申込者」という。)は、次に掲げる事項を記載した借入申込書(別紙様式第2号)を、町長に提出しなければならない。
(1) 借入申込者の住所、氏名及び生年月日
(2) 貸付けを受けようとする資金の金額、償還の期間及び方法
(3) 貸付けを受けようとする理由及び資金の使途についての計画
(4) 保証人となるべき者に関する事項
(5) 前各号に掲げるもののほか、町長が必要と認める事項
2 借入申込書には次に掲げる書類を添えなければならない。
(1) 世帯主の負傷を理由とする借入申込書にあっては、医師の療養見込期間及び療養概算額を記載した診断書
(2) 被害を受けた日の属する年の前年(当該被害を1月から5月までの間に受けた場合にあっては前々年とする。以下この号において同じ。)において、他の市町村に居住していた借入申込者にあっては、当該世帯の前年の所得に関する当該市町村長の証明書
(3) その他町長が必要と認めた書類
3 借入申込者は、借入申込書を、その者の被災の日の属する月の翌月一日から起算して三月を経過する日までに提出しなければならない。
(調査)
第7条 町長は、借入申込書の提出を受けたときは、速やかに、その内容を検討の上、当該世帯の被害の状況、所得その他の必要な事項について調査を行うものとする。
(貸付けの決定)
第8条 町長は、借入申込者に対して資金を貸し付ける旨を決定したときは、貸付金の金額、償還期間及び償還方法を記載した貸付決定通知書(別紙様式第3号)を、借入申込者に交付するものとする。
2 町長は、借入申込者に対して、資金を貸し付けない旨を決定したときは、貸付決定不承認通知書(別紙様式第4号)を借入申込者に通知するものとする。
(借用書の提出)
第9条 貸付決定通知書の交付を受けた者は、速やかに、保証人の連署した借用書(別紙様式第5号)に、資金の貸付けを受けた者(以下「借受人」という。)及び保証人の印鑑証明書を添えて町長に提出しなければならない。
(貸付金の交付)
第10条 町長は、前条の借用書と引換えに貸付金を交付するものとする。
(償還の完了)
第11条 町長は、借受人が貸付金の償還を完了したときは、当該借受人に係る借用書及びこれに添えられた印鑑証明書を遅滞なく返還するものとする。
(繰上償還の申出)
第12条 繰上償還をしようとする者は、繰上償還申出書(別紙様式第6号)を町長に提出するものとする。
(償還金の支払猶予)
第13条 借受人は、償還金の支払猶予を申請しようとするときは、支払猶予を受けようとする理由、猶予期間その他町長が必要と認める事項を記載した申請書(別紙様式第7号)を、町長に提出しなければならない。
2 町長は、支払の猶予を認める旨を決定したときは、支払を猶予した期間その他町長が必要と認める事項を記載した支払猶予承認通知書(別紙様式第8号)を、当該借受人に交付するものとする。
3 町長は、支払の猶予を認めない旨の決定をしたときは、支払猶予不承認通知書(別紙様式第9号)を、当該借受人に交付するものとする。
(違約金の支払免除)
第14条 借受人は、違約金の支払免除を申請しようとするときは、その理由を記載した申請書(別紙様式第10号)を町長に提出しなければならない。
2 町長は、違約金の支払免除を認める旨を決定したときは違約金の支払免除した期間及び支払を免除した金額を記載した違約金支払免除承認通知書(別紙様式第11号)を当該借受人に交付するものとする。
3 町長は、支払免除を認めない旨を決定したときは、違約金支払免除不承認通知書(別紙様式第12号)を、当該借受人に交付するものとする。
(償還免除)
第15条 災害援護資金の償還未済額の全部又は一部の償還の免除を受けようとする者(以下「償還免除申請者」という。)は、償還免除を受けようとする理由その他町長が必要と認める事項を記載した申請書(別紙様式第13号)を、町長に提出しなければならない。
(1) 借受人の死亡を証する書類
(2) 借受人が精神若しくは身体に著しい障害を受けて貸付金を返還することができなくなったことを証する書類
3 町長は、償還の免除を認める旨を決定したときは、償還免除承認通知書(別紙様式第14号)を、当該償還免除申請者に交付するものとする。
4 町長は、償還の免除を認めない旨を決定したときは、償還免除不承認通知書(別紙様式第15号)を、当該償還免除申請者に交付するものとする。
(督促)
第16条 町長は、償還金を納付期限までに納入しない者があるときは、督促状を発行するものとする。
(氏名又は住所の変更届等)
第17条 借受人又は保証人について氏名又は住所の変更等借用書に記載した事項に異同を生じたときは、借受人は速やかに、その旨を町長に氏名等変更届(別紙様式第16号)を提出しなければならない。ただし、借受人が死亡したときは、同居の親族又は保証人が代ってその旨を届け出るものとする。
(委任)
第18条 この規則に定めるもののほか、災害弔慰金及び災害障害見舞金の支給並びに災害援護資金の貸付けの手続について必要な事項は、別に定める。
附 則
この規則は、昭和50年4月1日から施行する。
附 則(昭和57年12月27日規則第4号)
この規則は、公布の日から施行し、改正後の第4条及び第5条の規定は、昭和57年7月10日以後に生じた災害により負傷し又は疾病にかかった住民に対する災害障害見舞金の支給について適用する。



















